推薦產品
聯系我們
企業地址:天津市西青經濟技術開發區賽達國際工業城A3-2
企業郵箱:apastj@163.com
聯系電話:022-87887696
企業傳真:請聯系管理員
企業郵編:300385
咨詢熱線:13622125499(24小時服務)
企業郵箱:apastj@163.com
聯系電話:022-87887696
企業傳真:請聯系管理員
企業郵編:300385
咨詢熱線:13622125499(24小時服務)
| 文件名稱 | 上傳時間 | 操作 |
|---|---|---|
| 自動化輸送系統選型手冊 | 2018/08/31 | 下載 |
| 工業扶梯踏步走臺系統 | 2018/08/31 | 下載 |
| 工業圍欄安全防護系統 | 2018/08/31 | 下載 |
| 鋁合金精益管/線棒選型手冊 | 2018/08/31 | 下載 |
- 產品描述
- 加工工藝
- 工業鋁材
- 配件推薦
- 物理參數計算
|
|
||
| 4545-2N90工業鋁型材主要應用于工業鋁型材框架結構的快速組裝,結合多種規格連接件配件,可實現多種連接方式,實現工業鋁型材快速組裝系統,便于工程師對于框架構想的快速實現。 | ||
|
|
|
|
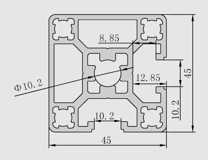
4545-2N90輕型工業鋁型材圖片
|
4545-2N90輕型工業鋁型材參數
|
|
|
|
|||||||
|
鋁型材型號
|
材質
|
重量
|
慣性矩
|
慣性矩
|
彎矩
|
彎矩
|
訂貨編號
|
|
profile
|
material
|
weight
|
Ix(cm4)
|
Iy(cm4)
|
Wx(cm3)
|
Wy(cm3)
|
order.NO.
|
|
45×45-2N90
|
鋁AL(6063-T5)
|
2.45kg/m
|
18.27
|
18.27
|
8
|
8.24
|
P10-4545-2N90
|
|
|
|||||||
| 產品推薦:鋁型材工作臺 鋁型材貨架 扶梯檢修平臺 安全防護圍欄 工業鋁型材框架 | |||||||
APAS工業鋁型材簡易選型表: |
|
| 說明: | |
|
I. 圖中共有六個參數值: 變形量決定因素: 1.承受力F(N) 2.鋁型材長度L(mm) 3.承載力與鋁型材長度的交點 4.所選鋁型材慣性矩I(cm4) 5.從交點垂直延伸到底部的直線 6.不同承受方式的鋁型材變形量f(mm) |
|
|
II.可通過參數中的任意三個,查出另一個參
舉例:選用APAS-8-4080W鋁型材, |
|
|
|
APAS工業鋁型材受力變形量計算: |
||
| 在選用APAS工業鋁型材時,變形量將是一個重要的選擇依據,根據下列計算公式,很容易計算出鋁型材自重與受力的情況下所產生的變形量。 | ||
|
m 鋁型材線性密度(kg/cm3) F 載荷(N) L 鋁型材無支撐長度(mm) E 彈性模量(68600N/mm2) I 集合慣性(cm4) Z 載面慣性(cm3) g 9.81N/kgf f 變形量(mm) |
![]()
|
|
| * 靜載荷狀態下的鋁型材變形量計算: | ||
![]() ![]()
|
||
| * 無載荷狀態下的鋁型材變形量計算: | ||
![]() ![]()
|
||
| * 鋁型材最大允許彎曲應力:σmax<200N/m3 | ||
![]() ![]()
|
||
|
* 計算舉例: 選用APAS-10-4545鋁型材,長度L=500mm,載荷F=800N(1kgf=9.81N),兩端固定支撐 |
||
![]()
|
||

.jpg)
.jpg)
.jpg)
.jpg)

.jpg)











